
Optical Fiber Communications 4th Edition by Gerd Keiser
النسخة 4الرقم المعياري الدولي: 978-0073380711
Optical Fiber Communications 4th Edition by Gerd Keiser
النسخة 4الرقم المعياري الدولي: 978-0073380711 تمرين 2
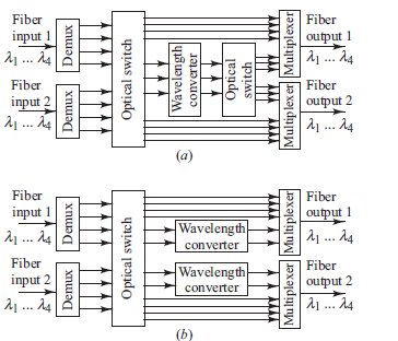
Figure 13.59 shows two architectures in which switches share wavelength converters for cost-saving purposes. Find a set of wavelength connections that can be set up with the share- per-node architecture in Fig. 13.59 a but not with the share-per-link architecture in Fig. 13.59 b, and vice versa.
Fig. 13.59
Fig. 13.59
التوضيح
See: K.-C. Lee and V. O. K. Li...
Optical Fiber Communications 4th Edition by Gerd Keiser
لماذا لم يعجبك هذا التمرين؟
أخرى 8 أحرف كحد أدنى و 255 حرفاً كحد أقصى
حرف 255

